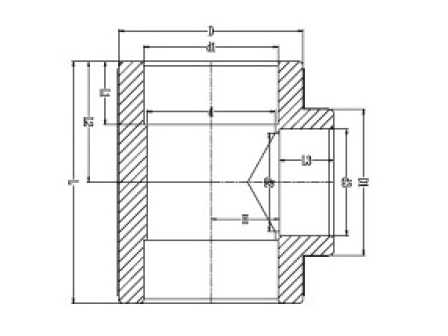
異徑三通
     
            
       
	
		
			| 
				Nominal | 
			
				Socket Type | 
			
				Structural Diameter | 
		
		
			| 
				SIZE | 
			
				d1 | 
			
				D | 
			
				D3 | 
			
				D1 | 
			
				L1 | 
			
				L | 
		
		
			| 
				3/4"*1/2" | 
			
				24.1 | 
			
				33.6 | 
			
				15.3 | 
			
				28.0 | 
			
				16.3 | 
			
				63.1 | 
		
		
			| 
				1"*3/4" | 
			
				31.0 | 
			
				42.4 | 
			
				24.1 | 
			
				33.6 | 
			
				18.2 | 
			
				74,0 | 
		
		
			| 
				1-1/4"*1" | 
			
				39.0 | 
			
				52.6 | 
			
				31.0 | 
			
				42.4 | 
			
				21.6 | 
			
				84.1 | 
		
		
			| 
				1-1/2"*1-1/4" | 
			
				49.0 | 
			
				66.0 | 
			
				39.0 | 
			
				52.6 | 
			
				25.2 | 
			
				101.5 | 
		
		
			| 
				2"*1-1/2" | 
			
				61.9 | 
			
				84.4 | 
			
				49.0 | 
			
				66.0 | 
			
				28.6 | 
			
				122.4 | 
		
		
			| 
				2-1/2"*2" | 
			
				73.6 | 
			
				95.8 | 
			
				61.9 | 
			
				84.4 | 
			
				32.5 | 
			
				138.2 | 
		
		
			| 
				3"*2" | 
			
				88.3 | 
			
				113.7 | 
			
				61.9 | 
			
				84.4 | 
			
				36.2 | 
			
				138.2 | 
		
		
			| 
				3"*2-1/2" | 
			
				88.3 | 
			
				113.7 | 
			
				73.6 | 
			
				95.8 | 
			
				36.4 | 
			
				164.1 | 
		
		
			| 
				4"*2-1/2" | 
			
				107.9 | 
			
				138.4 | 
			
				73.6 | 
			
				95.8 | 
			
				41.9 | 
			
				193.8 | 
		
		
			| 
				4"*3" | 
			
				107.9 | 
			
				138.4 | 
			
				88.3 | 
			
				113.7 | 
			
				41.9 | 
			
				193.8 |