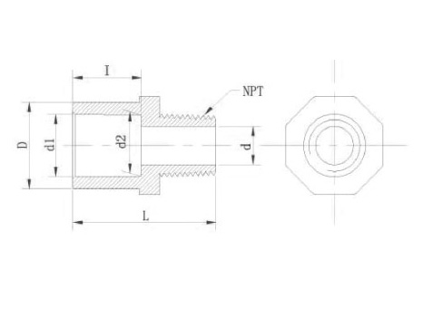
外牙接頭
     
            
       
	
		
			| 
				Nominal | 
			
				Outside Dia | 
			
				Socket Type | 
			
				Structural Diameter | 
		
		
			| 
				SIZE | 
			
				D | 
			
				d1 | 
			
				d2 | 
			
				I | 
			
				d | 
			
				L | 
			
				NPT(牙/寸) | 
		
		
			| 
				1/2"(15) | 
			
				30.00 | 
			
				21.40 | 
			
				21.25 | 
			
				24.00 | 
			
				13.20 | 
			
				50.00 | 
			
				14 | 
		
		
			| 
				3/4"(20) | 
			
				35.00 | 
			
				26.75 | 
			
				26.58 | 
			
				27.00 | 
			
				19.00 | 
			
				51.00 | 
			
				14 | 
		
		
			| 
				1"(25) | 
			
				44.00 | 
			
				33.52 | 
			
				33.28 | 
			
				30.00 | 
			
				24.00 | 
			
				59.00 | 
			
				11.5 | 
		
		
			| 
				1-1/4"(32) | 
			
				54.00 | 
			
				42.28 | 
			
				42.05 | 
			
				34.00 | 
			
				32.00 | 
			
				63.50 | 
			
				11.5 | 
		
		
			| 
				1-1/2"(40) | 
			
				60.00 | 
			
				48.40 | 
			
				48.12 | 
			
				37.00 | 
			
				38.00 | 
			
				67.00 | 
			
				11.5 | 
		
		
			| 
				2"(50) | 
			
				73.00 | 
			
				60.45 | 
			
				60.18 | 
			
				40.00 | 
			
				50.00 | 
			
				73.00 | 
			
				11.5 |