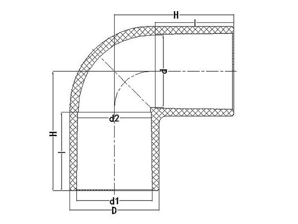
90°彎頭
     
            
       
	
		
			| 
				Nominal | 
			
				Socket Type | 
			
				Structural Diameter | 
		
		
			| 
				SIZE | 
			
				d1 | 
			
				d2 | 
			
				I | 
			
				D | 
			
				d | 
		
		
			| 
				1/2" | 
			
				21.40 | 
			
				21.25 | 
			
				30.00 | 
			
				24.00 | 
			
				16.00 | 
		
		
			| 
				3/4" | 
			
				26.75 | 
			
				26.58 | 
			
				35.00 | 
			
				27.00 | 
			
				22.00 | 
		
		
			| 
				1" | 
			
				33.52 | 
			
				33.28 | 
			
				44.00 | 
			
				30.00 | 
			
				30.00 | 
		
		
			| 
				1-1/4" | 
			
				42.28 | 
			
				42.05 | 
			
				54.00 | 
			
				34.00 | 
			
				38.00 | 
		
		
			| 
				1-1/2" | 
			
				48.4 | 
			
				48.12 | 
			
				60.00 | 
			
				37.00 | 
			
				43.00 | 
		
		
			| 
				2" | 
			
				60.45 | 
			
				60.18 | 
			
				73.00 | 
			
				40.00 | 
			
				54.00 | 
		
		
			| 
				2-1/2" | 
			
				73.30 | 
			
				72.85 | 
			
				88.00 | 
			
				46.50 | 
			
				67.00 | 
		
		
			| 
				3" | 
			
				89.25 | 
			
				88.70 | 
			
				105.00 | 
			
				50.00 | 
			
				82.00 | 
		
		
			| 
				4" | 
			
				114.60 | 
			
				114.10 | 
			
				132.00 | 
			
				60.00 | 
			
				106.00 | 
		
		
			| 
				5" | 
			
				141.50 | 
			
				141.10 | 
			
				162.00 | 
			
				69.00 | 
			
				133.00 | 
		
		
			| 
				6" | 
			
				168.50 | 
			
				168.00 | 
			
				191.00 | 
			
				79.00 | 
			
				158.00 | 
		
		
			| 
				8" | 
			
				219.80 | 
			
				218.70 | 
			
				246.00 | 
			
				102.00 | 
			
				200.00 |